服务热线:027-65330590
首页 > 六自由度运动平台

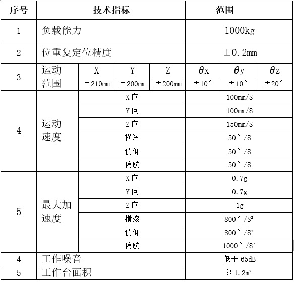
SDMP10型六自由度运动平台

2015-09-23 作者: